0391-7546777
鼓式制動器
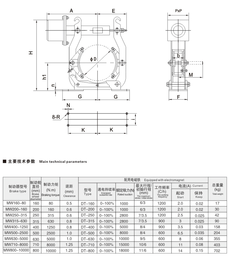
MW(Z)電磁鐵鼓式制動器

【所屬分類】鼓式制動器

【產品描述】 ...

點擊咨詢
分享到:

  • 一鍵撥號
  • message
    短信咨詢
  • map
    查看地圖
  • ewm
    二維碼
  • 国产成人久久777777