0391-7546777
帶式制動器
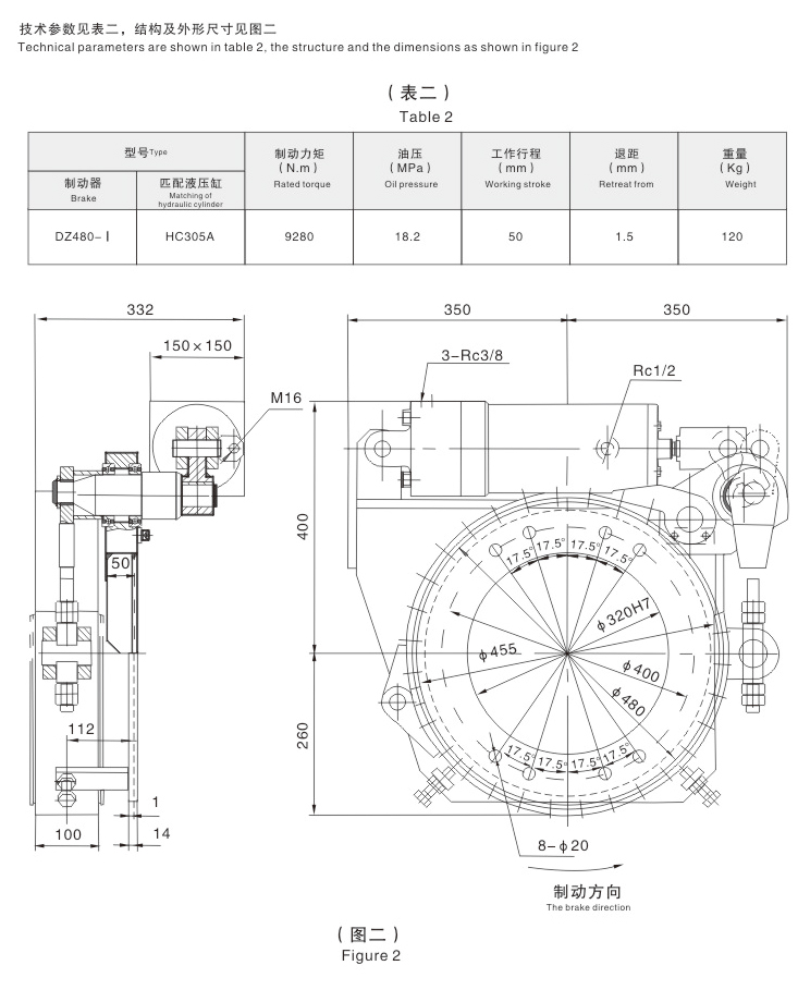
DZ系列帶式制動器

【所屬分類】帶式制動器

【產品描述】 ...

點擊咨詢
分享到:
  • 產品詳情
  • 在線預訂

    DZ系列帶式制動器01

    DZ系列帶式制動器02

    DZ系列帶式制動器03

    DZ系列帶式制動器04

    DZ系列帶式制動器05

    DZ系列帶式制動器06

    DZ系列帶式制動器07

    DZ系列帶式制動器08

    DZ系列帶式制動器09

    DZ系列帶式制動器10

    DZ系列帶式制動器11

    DZ系列帶式制動器
    單   價: 詢價
    起訂量: ≥1件
    關鍵詞:
    描   述:

  • 一鍵撥號
  • message
    短信咨詢
  • map
    查看地圖
  • ewm
    二維碼
  • 国产成人久久777777